找回密码
 立即注册

QQ登录

只需一步,快速开始

搜索

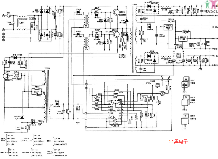
电脑开关电源电路图大全

查看数: 737 | 评论数: 1 | 收藏 2
关灯 | 提示:支持键盘翻页<-左 右->
    组图打开中,请稍候......
发布时间: 2025-12-26 13:59

正文摘要:

电脑开关电源电路图大全分享

回复

ID:253767 发表于 2026-1-11 07:49
谢谢分享,非常清晰!!!

小黑屋|51黑电子论坛 |51黑电子论坛6群 QQ 管理员QQ:125739409;技术交流QQ群281945664

Powered by 单片机教程网

快速回复 返回顶部 返回列表