找回密码
 立即注册

QQ登录

只需一步,快速开始

搜索

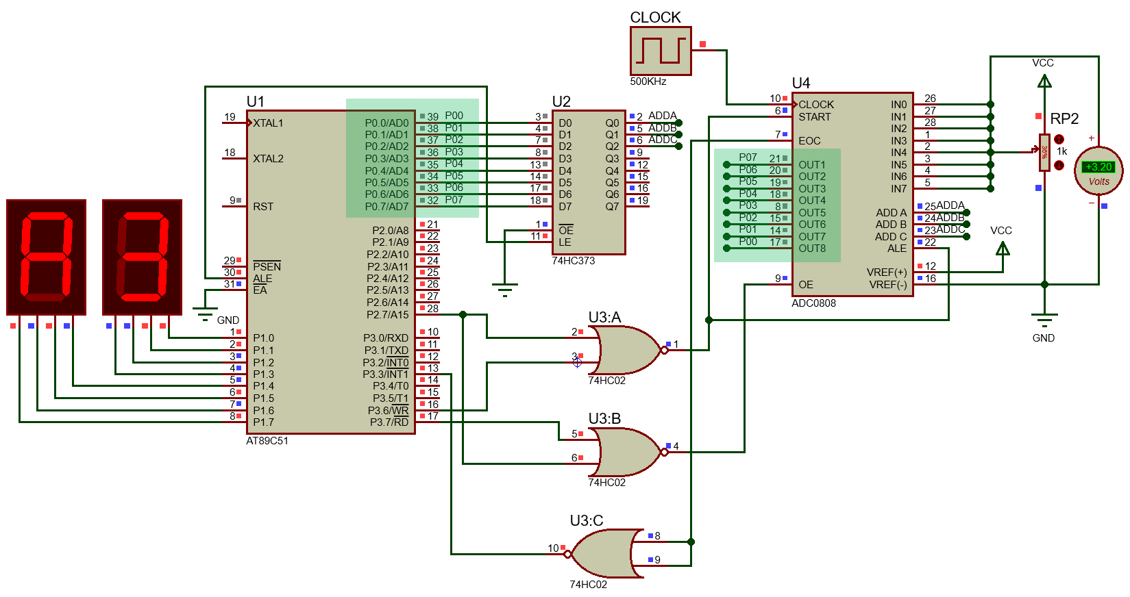
ADC0808(或者ADC0809)的OUTPUT管脚的顺序问题

查看数: 727 | 评论数: 4 | 收藏 0
关灯 | 提示:支持键盘翻页<-左 右->
    组图打开中,请稍候......
发布时间: 2025-12-28 19:52

正文摘要:

纸上得来终觉浅,绝知此事要躬行。 周末花了好几个小时,排查一个电路图的问题,以前从未亲手绘制过这种电路图。单片机有P0.0、P0.1到P0.7共8个管脚,另外一个芯片有OUT1到OUT8共8个管脚。 我想当然以为是:P0.0 ...

回复

ID:275826 发表于 2026-1-8 12:58
对外部存储器读写就有ALE信号
ID:123289 发表于 2026-1-7 10:13
管脚如何对应是无所谓的,只要软件与硬件配合好即可。
在电路设计中,往往是以布线方便为优先安排引脚,再用软件配合恭驱动。
ID:675407 发表于 2025-12-29 19:45
发表于 2025-12-29 11:39
datasheet里面标着哪位更大啊!

是的,但是一开始根本没往这个方面去思考和排查问题,所以一开始饶了一个很大的弯。

看我这个电路,我发现还有一个问题,就是这个单片机的ALE管脚的信号,只有在MOVX指令的时候才会输出。所以没有办法把单片机的ALE信号,拿出来作为0808芯片的CLOCK的输入,所以不清楚这个是不是Proteus的那个设置,有谁遇到过这种问题么?我看有一个电路,我用示波器挂上去,能看到单片机的ALE信号上面一直是有脉冲输出的。

原因不是很清楚。
ID:879809 发表于 2025-12-29 11:39
datasheet里面标着哪位更大啊!

小黑屋|51黑电子论坛 |51黑电子论坛6群 QQ 管理员QQ:125739409;技术交流QQ群281945664

Powered by 单片机教程网

快速回复 返回顶部 返回列表