找回密码
 立即注册

QQ登录

只需一步,快速开始

搜索

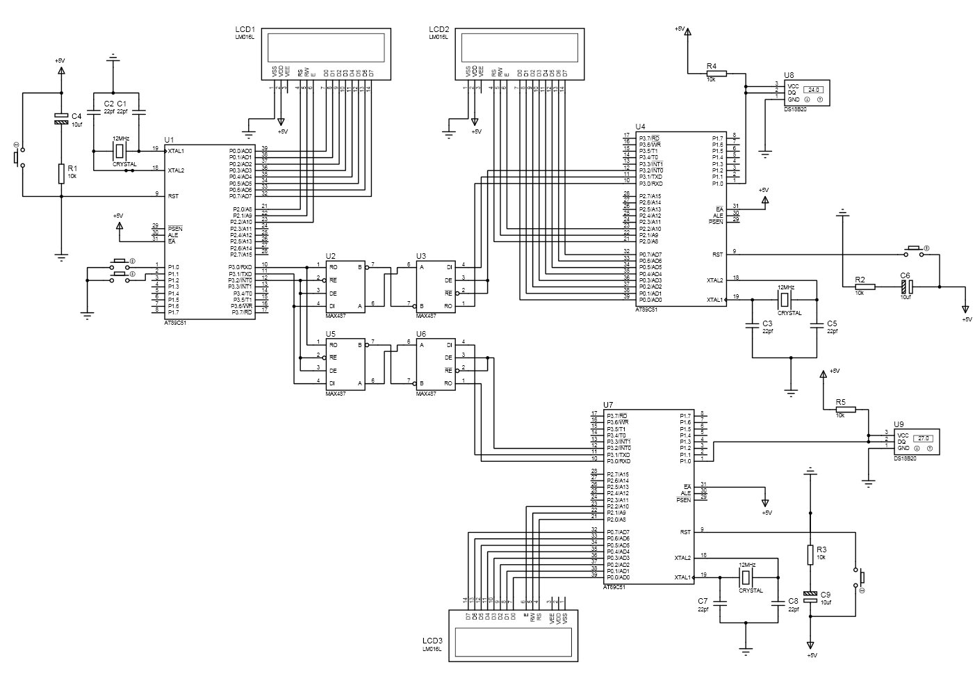
求个程序 可以实现按P1.0主机显示U4的温度

查看数: 2080 | 评论数: 0 | 收藏 0
关灯 | 提示:支持键盘翻页<-左 右->
    组图打开中,请稍候......
发布时间: 2015-6-7 19:05

正文摘要:

求个程序,可以实现按P1.0主机显示U4的温度,按P1.1主机显示U7的温度,U4和U7显示自身的温度

回复

小黑屋|51黑电子论坛 |51黑电子论坛6群 QQ 管理员QQ:125739409;技术交流QQ群281945664

Powered by 单片机教程网

快速回复 返回顶部 返回列表