找回密码
 立即注册

QQ登录

只需一步,快速开始

搜索
查看: 2114|回复: 1
打印 上一主题 下一主题
收起左侧

关于电能质量检测的抗混叠滤波器与锁相同步电路不理解,求帮忙讲解一下

[复制链接]
跳转到指定楼层
楼主
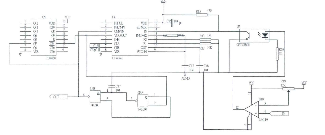
求大神看一下图片,帮忙讲解一下,我有点理解不明白,为了保证信号的真实性采样频率应为被分析信号最高频率的2倍,但是抗混叠滤波器又过滤掉1/2的采样频率,之后连接到a/d转换器中,之后的锁相同步电路又要保证采样频率与信号的频率一致,这我有点想不明白(采样频率经抗混叠滤波器已经被滤掉1/2那么怎样与锁相同步电路的频率保持一致)是关于电能质量检测仪的设计,

捕获.ssPNG.PNG (286.85 KB, 下载次数: 48)

捕获.ssPNG.PNG

捕获.aPNG.PNG (263.94 KB, 下载次数: 57)

捕获.aPNG.PNG

捕获c.PNG (462.29 KB, 下载次数: 40)

捕获c.PNG

捕获d.PNG (196.18 KB, 下载次数: 48)

捕获d.PNG

捕获f.PNG (430.93 KB, 下载次数: 51)

捕获f.PNG

捕xxxx获ccc.PNG (26.82 KB, 下载次数: 45)

捕xxxx获ccc.PNG
分享到:  QQ好友和群QQ好友和群 QQ空间QQ空间 腾讯微博腾讯微博 腾讯朋友腾讯朋友
收藏收藏 分享淘帖 顶 踩
回复

使用道具 举报

沙发
ID:123289 发表于 2018-4-26 23:14 | 只看该作者
50Hz的19次谐波是950Hz,如果按两倍采样,则采样频率是:950*2=1900Hz。
如果按照书上说的,则采样频率可取1500*2=3000Hz
据此,采样将50Hz倍频64倍=3200Hz是比较合适的选择。
回复

使用道具 举报

您需要登录后才可以回帖 登录 | 立即注册

本版积分规则

小黑屋|51黑电子论坛 |51黑电子论坛6群 QQ 管理员QQ:125739409;技术交流QQ群281945664

Powered by 单片机教程网

快速回复 返回顶部 返回列表