找回密码
 立即注册

QQ登录

只需一步,快速开始

搜索
查看: 3098|回复: 6
收起左侧

新手接触单片机驱动玩具直升机直流电机的一些问题

[复制链接]
ID:585246 发表于 2019-7-16 16:59 | 显示全部楼层 |阅读模式
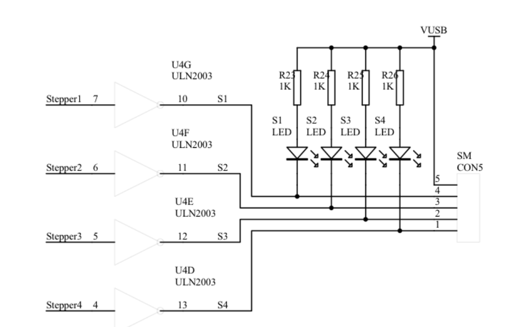
想用单片机去修复一个废置的玩具直升机,但在驱动电机时就出现问。电机是由玩具飞机中拆卸出来的,接入单片机5v电源会出现芯片异常发热(ULN2003)且运行一段时间,电机速度自动下降(同时伴随s2、s3等led点亮)。求大神讲解一下这样的电机应该怎么样驱动,我是直接将电机的一路插入5v扩展口,一路插入给定信号为1的扩展口。

单片机源程序如下:
#include <STC15F2K60S2.h>
#define uint unsigned int
#define uchar unsigned char
sbit s1 =P4^1;
sbit key1=P3^2;
sbit key2=P3^3;
void delay_ms( uint n )
{
    while( n )
    {
        uchar i, j;
        i = 11;
        j = 190;
        do
        {
            while ( --j );
        }
        while ( --i );
        n--;
    }
}
void main()
{
key1=1;
key2=1;
s1=0;
while(1)
{
  if(key1==0)
  {
   delay_ms(10);
   if(key1==0)
   {
    s1=1;
   }
  }
  if(key2==0)
  {
   delay_ms(10);
   if(key2==0)
   {
    s1=0;
   }
  }
}
}
BED_M`RXQ((}22IAVHK(%1C.png
IMG_4437.JPG
IMG_4436.JPG
回复

使用道具 举报

ID:585246 发表于 2019-7-16 17:01 | 显示全部楼层
本帖最后由 backbeast 于 2019-7-16 17:07 编辑

#include <STC15F2K60S2.h>
#define uint unsigned int
#define uchar unsigned char
sbit s1 =P4^1;
sbit key1=P3^2;
sbit key2=P3^3;
void delay_ms( uint n )
{
    while( n )
    {
        uchar i, j;
        i = 11;
        j = 190;
        do
        {
            while ( --j );
        }
        while ( --i );
        n--;
    }
}
void main()
{
        key1=1;
        key2=1;
        s1=0;
        while(1)
        {
                if(key1==0)
                {
                        delay_ms(10);
                        if(key1==0)
                        {
                                s1=1;
                        }
                }
                if(key2==0)
                {
                        delay_ms(10);
                        if(key2==0)
                        {
                                s1=0;
                        }
                }
        }
}
回复

使用道具 举报

ID:585246 发表于 2019-7-16 17:51 | 显示全部楼层
暖暖暖,求一个大手子来帮我解决一下问题。
回复

使用道具 举报

ID:546770 发表于 2019-7-19 17:47 | 显示全部楼层
大哥,你确定你会用单片机?单片机的引脚虽然可以直接输出高电平,但是每个引脚能承受的电流最多20mA,如何驱动电动机?难怪没人回答你!
回复

使用道具 举报

ID:41656 发表于 2019-7-20 08:06 | 显示全部楼层
ULN2003驱动电流小  你需要更换驱动IC  这个2003经常用来驱动小步进那种步进电机电流很小的,这种直流电机不行的,建议买个直流电机驱动模块
回复

使用道具 举报

ID:510861 发表于 2020-8-7 22:06 来自触屏版 | 显示全部楼层
可以用三极管驱动    9013
回复

使用道具 举报

ID:254131 发表于 2020-8-8 11:34 | 显示全部楼层
有没有冒烟?过载了
回复

使用道具 举报

您需要登录后才可以回帖 登录 | 立即注册

本版积分规则

小黑屋|51黑电子论坛 |51黑电子论坛6群 QQ 管理员QQ:125739409;技术交流QQ群281945664

Powered by 单片机教程网

快速回复 返回顶部 返回列表