找回密码
 立即注册

QQ登录

只需一步,快速开始

搜索
查看: 3920|回复: 2
收起左侧

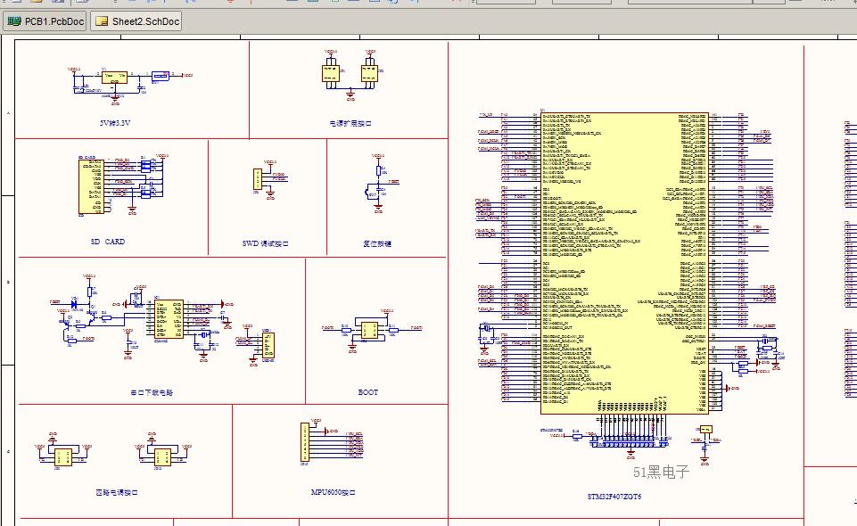
STM32F407最小系统PCB文件与电路原理图 Altium Designer格式

[复制链接]
ID:611988 发表于 2019-11-5 14:31 | 显示全部楼层 |阅读模式
Altium Designer画的STM32F407最小系统原理图和PCB图如下:(51hei附件中可下载工程文件)
51hei.png 0.jpg F407.png

全部资料51hei下载地址:
STM32F407最小系统.zip (6.88 MB, 下载次数: 64)

评分

参与人数 1黑币 +50 收起 理由
admin + 50 共享资料的黑币奖励!

查看全部评分

回复

使用道具 举报

ID:254395 发表于 2019-11-7 16:55 | 显示全部楼层
感谢  正好需要
回复

使用道具 举报

ID:637754 发表于 2019-11-9 19:46 | 显示全部楼层
最近正在学用AD,非常感谢楼主哈
回复

使用道具 举报

您需要登录后才可以回帖 登录 | 立即注册

本版积分规则

小黑屋|51黑电子论坛 |51黑电子论坛6群 QQ 管理员QQ:125739409;技术交流QQ群281945664

Powered by 单片机教程网

快速回复 返回顶部 返回列表