找回密码
 立即注册

QQ登录

只需一步,快速开始

搜索
查看: 2097|回复: 5
收起左侧

请教一下多路SD卡读卡硬件设计方案问题

[复制链接]
ID:307734 发表于 2022-6-23 01:02 | 显示全部楼层 |阅读模式
各位朋友大家好,最近小弟我在做一个项目需求的时候,需要通过USB3.0接口同时挂载5张SD卡到电脑上读取数据。目前我的方案是使用一个USB-HUB芯片,下面挂3个GL3224的USB3.0读卡芯片。该芯片可以同时挂载2张SD卡到电脑上。因此理论上可以达到一次挂载5章SD卡。
但是!  实践的时候,由于我的经验非常缺乏。挂载的速度和直接用USB-HUB 外加 3个独立读卡器的速度差了非常多,而且在实际测试的时候速度跑不满,且速度会掉速。还涉及到芯片发热量非常大,手摸只能保持1s的那种烫。

所以想就这些问题,请教一下大家,在3.0的设计上我需要多注意些什么问题呢?我会在下面把我测试的板子的设计和原理放上来。希望大家不吝赐教!!!!非常感谢!!

对上面我陈述的问题,我有几个猜想:
1. 发热严重是否是由于我的板子布线不规范导致干扰较多,3.0数据交换是否存在校验之类的步骤,增加了芯片处理错误的逻辑,导致运算加大发热加重;
2. 速度上不去有2个猜想,一是读卡芯片距离sd卡的布线距离比较远。二是3.0读卡芯片和USB-HUB芯片间的3.0 的布线有缺陷。
3. 挂载速度问题。我想是否两个部分(USB-HUB和读卡芯片部分)是否需要一个时序差,USB-HUB先正常工作了以后读卡部分在上电工作?

希望大家可以参考一下这些问题。再次感谢大家的关注!

下面的是PCB的图,因为水平比较低所以布线应该存在很多问题,希望大家可以看看,交流一下大佬们的经验。(PCB后来被我改了,然后没存源文件所以只能讲究看看这个,抱歉)

实物仿真图.png

实物仿真图-2.png



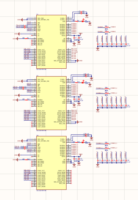
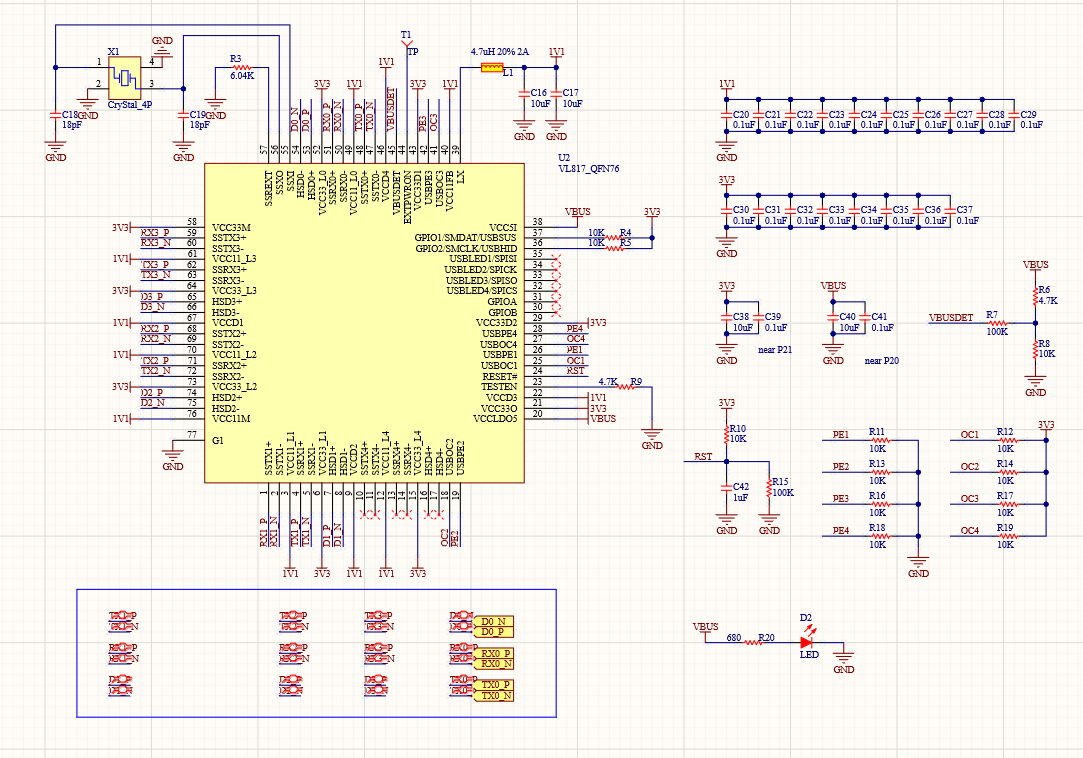
下面是我的原理图部分,第一张是USB-HUB芯片,单独打板测试过,原理图的功能是可以的,打板测试可以满足读取3.0的U盘的速度(大概能稳定在100MB/s)
51hei截图_20220623005023.png
第二张是读卡芯片的原理图,之前也是单独测试过的,读取内存卡的速度可以达到和上面的3.0USB-HUB的速度一样。所以和到一起应该也没问题,但是实际却出现了问题。
51hei截图_20220623005045.png


下面两张是我的实物图,仅供交流参考。如果又些什么不懂的地方我可以在后续的更新中补足。
51hei图片_20220623005000.jpg
51hei图片_20220623004954.jpg


回复

使用道具 举报

ID:99525 发表于 2022-6-23 03:40 | 显示全部楼层
卡座为什么不直接做在芯片背面?
回复

使用道具 举报

ID:230742 发表于 2022-6-23 10:19 | 显示全部楼层
能用是一回事。要想速度块,就复杂了。什么最短等长走线,背面要不要铺铜,要不要用4层板。等等。
我是一点也不会啊。
回复

使用道具 举报

ID:45879 发表于 2022-6-23 10:53 | 显示全部楼层
1.可尝试把两个板子直接用焊锡(或飞线)连起来(跳过插座),毕竟是高速信号
2.个人认为芯片发热正常,从你的描述看温度在50℃以上,817芯片能到125℃,不必担忧
3.没搞过3.0,不行编不下去了....
回复

使用道具 举报

ID:307734 发表于 2022-6-26 11:10 | 显示全部楼层
雪玉寐影 发表于 2022-6-23 03:40
卡座为什么不直接做在芯片背面?

项目为了方便,把卡座做到一体了。
回复

使用道具 举报

ID:307734 发表于 2022-6-26 11:12 | 显示全部楼层
yueguang3048 发表于 2022-6-23 10:53
1.可尝试把两个板子直接用焊锡(或飞线)连起来(跳过插座),毕竟是高速信号
2.个人认为芯片发热正常,从 ...

谢谢老哥,我会试试看直接飞线的效果如何。
温度高的话,温度高一些会不会影响它的工作效率呢?
回复

使用道具 举报

您需要登录后才可以回帖 登录 | 立即注册

本版积分规则

小黑屋|51黑电子论坛 |51黑电子论坛6群 QQ 管理员QQ:125739409;技术交流QQ群281945664

Powered by 单片机教程网

快速回复 返回顶部 返回列表