找回密码
 立即注册

QQ登录

只需一步,快速开始

搜索
查看: 4177|回复: 18
打印 上一主题 下一主题
收起左侧

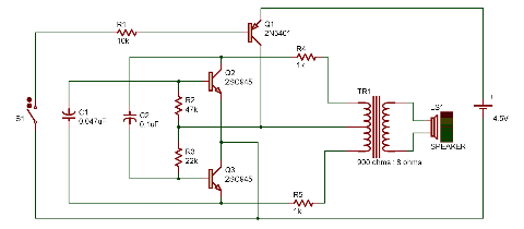
一个仍在网上流传的奇葩拓扑

[复制链接]
跳转到指定楼层
楼主

看山仍是山,看水还是水。

起初没看出甚么门道,渐渐的,发现错误,
于今观之,这货其实原理上可行 (把某一个三极管倒过来)。
分享到:  QQ好友和群QQ好友和群 QQ空间QQ空间 腾讯微博腾讯微博 腾讯朋友腾讯朋友
收藏收藏 分享淘帖 顶1 踩1
回复

使用道具 举报

沙发
ID:344848 发表于 2024-5-26 20:21 | 只看该作者
TR没有标识同名端,故无法判断是否有错误!
回复

使用道具 举报

板凳
ID:1100060 发表于 2024-5-26 23:46 | 只看该作者
donglw 发表于 2024-5-26 20:21
TR没有标识同名端,故无法判断是否有错误!


假设变压器原边的同名端真的错了,那么,两管不论一起开关还是轮着来,结果都一样,变压器都是单象限运行,但两管「并联」的格局依旧,那就表示,还是有一只管反接了。
回复

使用道具 举报

地板
ID:1100060 发表于 2024-5-26 23:53 | 只看该作者

友站有位大仙居然说我「少见多怪」,这货叫做〖莱耶尔电路〗,真空管时代就有…………,
是的,半导体三极管有两「性」,电路设计可以不走寻常路,可这是差分而非半桥,拿差分推挽这样搞,能商品化吗?!
回复

使用道具 举报

5#
ID:1100060 发表于 2024-5-29 06:40 | 只看该作者

便携式荧光灯所用的电源电压,我见过的最高是9V,最低的1.5V,有单管的,有差分推挽的,就是半桥没见过。
图中这个逆变器电路,是当电源来用的,那么,至少12V逃不掉,如果你用的三极管是 BC547+BC557,想想会有何后果?!
回复

使用道具 举报

6#
ID:344848 发表于 2024-5-30 14:17 | 只看该作者
LhUpBJT 发表于 2024-5-26 23:53
友站有位大仙居然说我「少见多怪」,这货叫做〖莱耶尔电路〗,真空管时代就有…………,
是的,半导体三 ...

莱耶尔电路?
回复

使用道具 举报

7#
ID:1100060 发表于 2024-6-6 23:50 | 只看该作者


印像中,这才是莱耶尔,而且是元初版。

回复

使用道具 举报

8#
ID:344848 发表于 2024-6-10 14:03 | 只看该作者
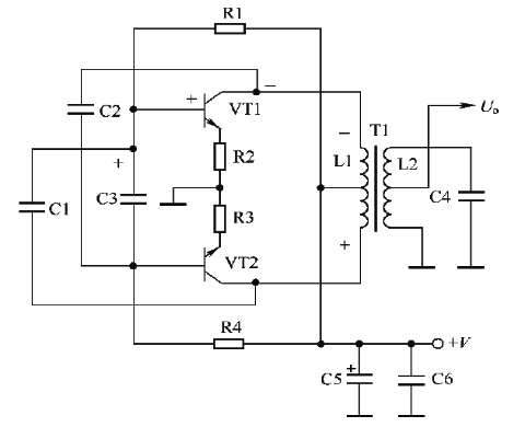
请按附图画出同名端,才能清楚表达你的构思,谢谢!

44288354680115.jpg (33.5 KB, 下载次数: 29)

44288354680115.jpg
回复

使用道具 举报

9#
ID:1100060 发表于 2024-6-13 07:12 | 只看该作者
donglw 发表于 2024-6-10 14:03
请按附图画出同名端,才能清楚表达你的构思,谢谢!


嗯,答案阁下不是已给出了吗?!
变压器的接法没毛病啊,T3与T4除反馈外还兼当增压部件嘛。
回复

使用道具 举报

10#
ID:1100060 发表于 2024-6-15 08:29 | 只看该作者
donglw 发表于 2024-6-10 14:03
请按附图画出同名端,才能清楚表达你的构思,谢谢!


那四个点不就已经是同名端了吗?!
我真的老老实实地自己画,也不过等于复制而矣吧。

回复

使用道具 举报

11#
ID:137736 发表于 2024-8-23 16:43 | 只看该作者
晶体管ZVS电路,能正常工作。
回复

使用道具 举报

12#
ID:466250 发表于 2024-8-23 21:17 | 只看该作者
很多原理都没懂的,只是能将就工作,空载管子都烫手。静态电流超级大。
回复

使用道具 举报

13#
ID:1100060 发表于 2025-5-28 11:39 | 只看该作者
我倒,竟然还有,
作为电学鼻祖的老外,居然也踩了这坑。


回复

使用道具 举报

14#
ID:848988 发表于 2025-5-30 14:08 | 只看该作者
这是 一个升压电路,用来点紫外线UV杀菌灯的,
回复

使用道具 举报

15#
ID:848988 发表于 2025-5-30 14:13 | 只看该作者
回复

使用道具 举报

16#
ID:879809 发表于 2025-7-18 18:06 | 只看该作者
就是个标准的Royer Oscillator,当年LCD大屏背光还是CCFL的时候,就靠这电路点亮荧光灯管了。
回复

使用道具 举报

17#
ID:137736 发表于 2025-7-25 21:46 | 只看该作者
vt2换成NPN三极管,典型的ZVS电路。
回复

使用道具 举报

18#
ID:204072 发表于 2025-8-13 09:35 | 只看该作者
这张图是有错误的,不信搭起来试试?
回复

使用道具 举报

19#
ID:1110169 发表于 2025-9-23 17:24 | 只看该作者
这个电路是经典的ROYE电路,基本上低压照明的首选
回复

使用道具 举报

您需要登录后才可以回帖 登录 | 立即注册

本版积分规则

小黑屋|51黑电子论坛 |51黑电子论坛6群 QQ 管理员QQ:125739409;技术交流QQ群281945664

Powered by 单片机教程网

快速回复 返回顶部 返回列表