找回密码
 立即注册

QQ登录

只需一步,快速开始

搜索
查看: 519|回复: 0
收起左侧

面包板模块9:单电源转双电源

[复制链接]
ID:97023 发表于 2025-7-17 23:21 | 显示全部楼层 |阅读模式
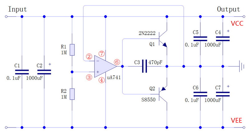
在进行运放实验时,有些运放要求双电源供电,在只有单电源的情况下,用如下电路可以实现双电源输出:
09-1 原理图:uA741.jpg
单电源转双电源的PCB板(尺寸:59*24mm):
09-2 PCB.jpg
制作好的单电源转双电源模块:
09-3 模块.jpg
在实验时发现,当电流大时,如果双电源输出端一边接有负载,另一边没有接,则没有负载这端的扩流管会发烫。为此,进行负载实验时,两边都接上一个相同阻值的电阻。
输入电压为9.5V,实验数据如下:
09-4 表格1.jpg
其中,“空载电压”、“负载电阻”和“负载电压”是测量出来的,而“负载电流”则是用“欧姆定理”计算的。“电压下降%”是相对于“空载电压”的。
为了方便EXCEL绘图,数据整理成如下表格:
09-4 表格2.jpg
由EXCEL生成的负载特性曲线:
09-4 表格3.jpg
用洞洞板搭电路,三极管换成SOT-23封装的J6和2TY,输出电流300mA时,三极管也未发热。
09-0 分离元件.jpg
为了进一步缩小体积,两个三极管采用SOT-23封装,NPN用J6;PNP用2TY,并取消了固定的4个螺丝孔,3个电解电容取220uF,PCB板尺寸由原来的:59*24mm缩减为:46*18mm。
09-2 PCB2.jpg
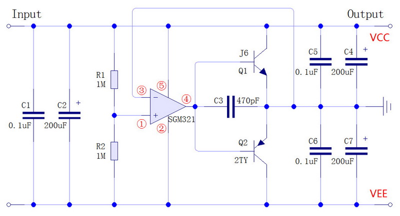
再一步缩减尺寸,所有元件都用贴片,特别是运放采用SGM321,最终尺寸为:32*16.6mm。
09-1 原理图:SGM321.jpg

09-2 PCB3.jpg
由于运放SGM321最高工作电压为5.5V,所以本模块输入电压最好控制在5V!

评分

参与人数 2黑币 +80 收起 理由
wpppmlah + 30 赞一个!
admin + 50 共享资料的黑币奖励!

查看全部评分

回复

使用道具 举报

您需要登录后才可以回帖 登录 | 立即注册

本版积分规则

小黑屋|51黑电子论坛 |51黑电子论坛6群 QQ 管理员QQ:125739409;技术交流QQ群281945664

Powered by 单片机教程网

快速回复 返回顶部 返回列表