找回密码
 立即注册

QQ登录

只需一步,快速开始

搜索
查看: 736|回复: 4
打印 上一主题 下一主题
收起左侧

这款电池充电器 在51M和140M超标 一般是哪里的原因?以下措施用了还是不行。图中...

[复制链接]
跳转到指定楼层
楼主
ID:668004 发表于 2025-9-2 17:19 | 只看该作者 回帖奖励 |正序浏览 |阅读模式
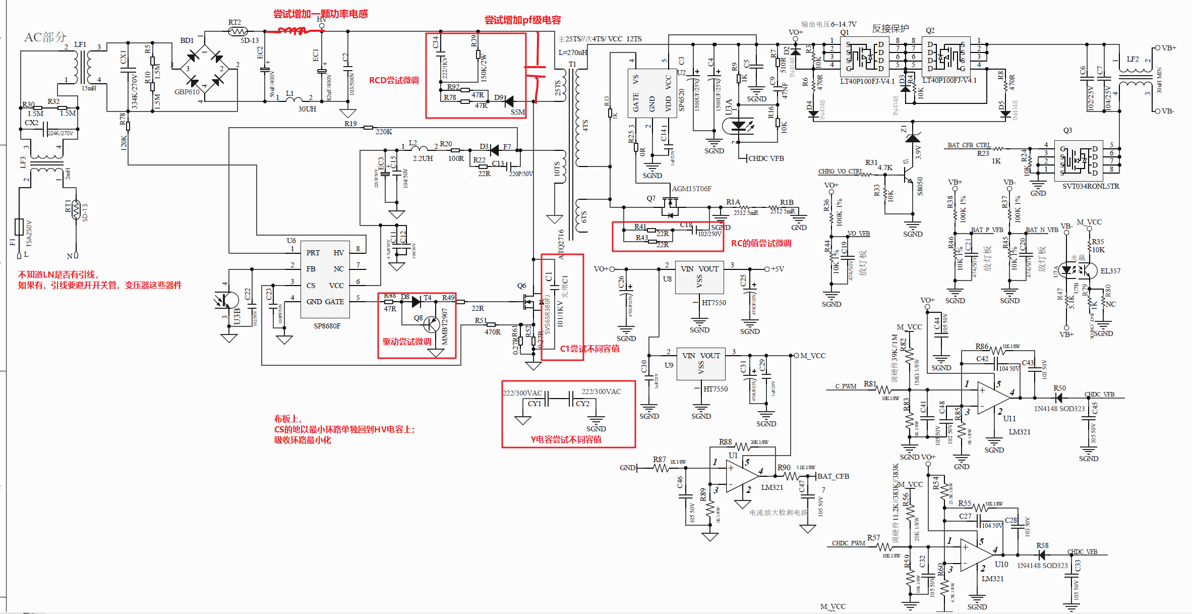
这款电池充电器 在51M和140M超标  一般是哪里的原因?以下措施用了还是不行。图中的措施也试了,还是超。用的是EN55014标准
1. 更改序号3变压器
2. C13由47pF改成470pF
3. R22由22Ω改成100Ω
4. 去掉C2(103/500V)
5. MOS DS极需要并联电容22pF改成47pF
6. 整改MOS散热片形状
7. 变压器调整三明治绕法,磁芯接地面积加大,铜线增加屏蔽层,整个变压器增加屏蔽

电池充电器EMC超标.png (119.99 KB, 下载次数: 0)

电池充电器EMC超标.png

原理图.png (432.92 KB, 下载次数: 0)

原理图.png
分享到:  QQ好友和群QQ好友和群 QQ空间QQ空间 腾讯微博腾讯微博 腾讯朋友腾讯朋友
收藏收藏 分享淘帖 顶 踩
回复

使用道具 举报

5#
ID:668004 发表于 2025-9-3 16:14 | 只看该作者
附件是元件的规格

元件规格.7z

2.51 MB, 下载次数: 0

回复

使用道具 举报

地板
ID:668004 发表于 2025-9-3 10:55 | 只看该作者
ppcbug 发表于 2025-9-2 20:46
我觉得吧,从波形看,更像是谐振而不是泄漏。 所以 我猜测 , 可能和 元件引脚长度 或是 对应铜箔长度 有关 ...

从波形看,更像是谐振而不是泄漏-------这个怎么判断的
回复

使用道具 举报

板凳
ID:628113 发表于 2025-9-2 20:46 | 只看该作者
我觉得吧,从波形看,更像是谐振而不是泄漏。 所以 我猜测 , 可能和 元件引脚长度 或是 对应铜箔长度 有关。
回复

使用道具 举报

沙发
ID:668004 发表于 2025-9-2 18:50 | 只看该作者
开关管规格书

SVS65R380FJ.pdf

669.31 KB, 下载次数: 0

回复

使用道具 举报

您需要登录后才可以回帖 登录 | 立即注册

本版积分规则

小黑屋|51黑电子论坛 |51黑电子论坛6群 QQ 管理员QQ:125739409;技术交流QQ群281945664

Powered by 单片机教程网

快速回复 返回顶部 返回列表