找回密码
 立即注册

QQ登录

只需一步,快速开始

搜索
查看: 768|回复: 2
打印 上一主题 下一主题
收起左侧

求助UC2842A 24V/1A输出是锯齿波21V-25V,周期350多ms

[复制链接]
跳转到指定楼层
楼主
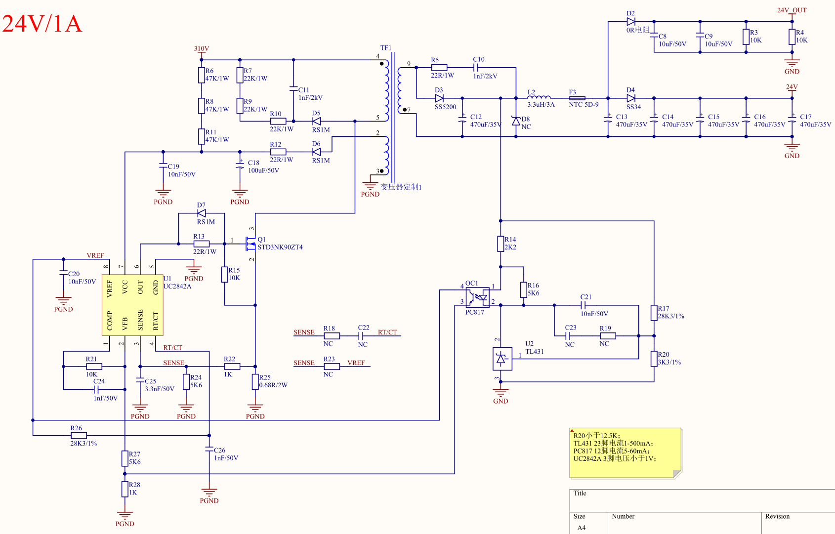
求助,自己设计的220V AC输入,24V/1A输出电源,输出带了一个10K+LED,测量输出波形是锯齿波,21V-25V的锯齿,周期350多ms,原理图在附件,变压器是定制的,原理图和输出波形如下图,求教怎么整改。

f46460fd-7de9-4f26-8803-36a3df237b54.png (58.93 KB, 下载次数: 0)

f46460fd-7de9-4f26-8803-36a3df237b54.png

8def8e41-e53e-4c73-b915-d8da6956d4d7.png (174.29 KB, 下载次数: 0)

8def8e41-e53e-4c73-b915-d8da6956d4d7.png

6f1abbf3-28a9-4e4d-850b-1db3d6e9f787.png (957.95 KB, 下载次数: 0)

6f1abbf3-28a9-4e4d-850b-1db3d6e9f787.png

PLC_BOTTOM_BOARD_220V.PDF

362.18 KB, 下载次数: 0

分享到:  QQ好友和群QQ好友和群 QQ空间QQ空间 腾讯微博腾讯微博 腾讯朋友腾讯朋友
收藏收藏 分享淘帖 顶 踩
回复

使用道具 举报

沙发
ID:891041 发表于 2025-9-8 09:42 | 只看该作者
改下反馈系数试试,   C23和R19, 去掉C21
回复

使用道具 举报

板凳
ID:382454 发表于 2025-9-15 10:21 | 只看该作者
应该先按官方标准电路图去设计,之后再改你想要的地方才对吧。这样会少走很多弯路的。
回复

使用道具 举报

您需要登录后才可以回帖 登录 | 立即注册

本版积分规则

小黑屋|51黑电子论坛 |51黑电子论坛6群 QQ 管理员QQ:125739409;技术交流QQ群281945664

Powered by 单片机教程网

快速回复 返回顶部 返回列表