找回密码
 立即注册

QQ登录

只需一步,快速开始

搜索
查看: 776|回复: 4
打印 上一主题 下一主题
收起左侧

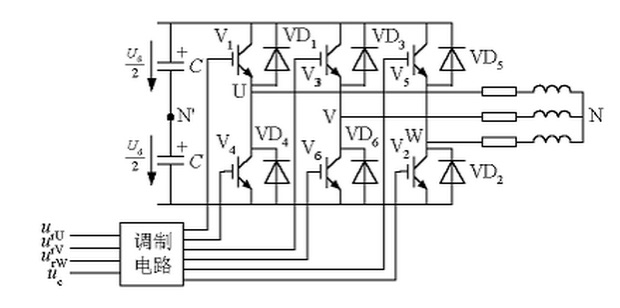
这种三相逆变电路可以用单极倍频spwm调制吗

[复制链接]
跳转到指定楼层
楼主
控制电路应该怎么实现,需要在psim上仿真

IMG_4769.PNG (37.4 KB, 下载次数: 0)

IMG_4769.PNG
分享到:  QQ好友和群QQ好友和群 QQ空间QQ空间 腾讯微博腾讯微博 腾讯朋友腾讯朋友
收藏收藏 分享淘帖 顶 踩
回复

使用道具 举报

沙发
ID:1128898 发表于 2026-1-1 03:39 | 只看该作者
u=f/12
回复

使用道具 举报

板凳
ID:1153607 发表于 2026-1-2 10:11 | 只看该作者
直接写片EEPROM,读出数据就行了,简单不会错。
回复

使用道具 举报

地板
ID:1153607 发表于 2026-1-2 10:14 | 只看该作者
如果一定要用单片机产生信号就去STC老妖的站去看看,他的芯片都可以干这个有例程可以参考。
回复

使用道具 举报

5#
ID:123289 发表于 2026-1-7 09:48 | 只看该作者
需要数学计算,再给出脉冲信号。
回复

使用道具 举报

您需要登录后才可以回帖 登录 | 立即注册

本版积分规则

小黑屋|51黑电子论坛 |51黑电子论坛6群 QQ 管理员QQ:125739409;技术交流QQ群281945664

Powered by 单片机教程网

快速回复 返回顶部 返回列表