找回密码
 立即注册

QQ登录

只需一步,快速开始

搜索
查看: 664|回复: 8
收起左侧

如何消除差分对负阻型LC振荡电路的自激?

[复制链接]
ID:1066092 发表于 2026-3-3 03:03 | 显示全部楼层 |阅读模式
100黑币
    我抄别人的电路原理试着做了个基于下面这个差分对负阻型LC振荡电路,图画的很烂拿不出手就不讲了。焊好板子后出现自激的问题,就是将两个电感L直接用导线代替使电路工作在静态下,电路自激会有一个幅度约2伏频率在接近8Mhz的自激振荡不能起振,恒流源我用运放做的恒流源接到电感L端不是下面这个图接在低端。三极管的基极我使用的是没有下偏置只有上偏置电阻,在这个电阻上并了一个交流耦合电容。出现问题后问AI教我,总是要我这这个耦合电容上串一个小的阻尼电阻,再不就是在发射极上并个电容到地。我尝试接阻尼电阻能勉强起振但作用不大而且将振荡幅度拉底太狠失败。在集电极上并了个200nf电容,恒流在30ma时振荡幅度只有不到2伏仿真有5伏而且有很高的尖峰脉冲,AI说这是个啥电压比变化太高造成的实际也是自激的原因。将恒流在50ma时振荡幅度能有7伏和仿真差不多,自激频率将到了3.3Mhz幅度在200mv,但是在恒流输出的扩流三极管的集电极上的输出电压上叠加了一个幅度为10伏频率为2.7Mhz的交流自激。我想请问下这种自激怎么样才能破坏掉自激的条件?因为AI教我的感觉都是在怎么讲底自激幅度而不是怎么使电路不自激从而能获得一个比较纯净的振荡波形呢?
    请回复的手下留情勿灌水,尽量贴近我的疑惑之处,节省大家时间。多谢多谢。
捕获.JPG

最佳答案

查看完整内容

这个地址你点开看看 同类图2 同类图1 很早以前有做过这个电路,调频无线话筒。。。。
回复

使用道具 举报

ID:69038 发表于 2026-3-3 03:03 | 显示全部楼层
这个地址你点开看看
同类图2

同类图1

很早以前有做过这个电路,调频无线话筒。。。。
回复

使用道具 举报

ID:1066092 发表于 2026-3-3 22:36 | 显示全部楼层
zhuls 发表于 2026-3-3 09:28
这个地址你点开看看
同类图2

多谢,原理大概知道点,就是不知道我这个在低频才几K赫兹振荡怎么出现自激造成无法起振.也不知道该如何消除自激,人家的电路板看着好像也是很随意地拉了几根线没咋处理而我使用贴片从新画了做着试就自激了呢?我不是抄板也不是破解,这个的电路图杂志上有完整的,电路板网上也有图片.我是复刻尝试它是怎么实现的.
回复

使用道具 举报

ID:69038 发表于 2026-3-3 23:58 | 显示全部楼层
几K赫兹?LC电路振出几K?那这个电路用不上了。你要用“更标准 ”一点的“多谐振荡电路”
无稳态多谐振荡器


回复

使用道具 举报

ID:69038 发表于 2026-3-4 09:03 | 显示全部楼层
hisun 发表于 2026-3-3 22:36
多谢,原理大概知道点,就是不知道我这个在低频才几K赫兹振荡怎么出现自激造成无法起振.也不知道该如何消 ...

不是这电路“自激”了,而是这个电路的参数本来就是振在这个频点上。
这种电路特点就是很容易起振,上电就振。
你所说的“自激”,其实也是振荡的一种,是“自由振荡”,不受控的。振荡频率随时在变。。

回复

使用道具 举报

ID:1066092 发表于 2026-3-4 22:18 | 显示全部楼层
zhuls 发表于 2026-3-4 09:03
不是这电路“自激”了,而是这个电路的参数本来就是振在这个频点上。
这种电路特点就是很容易起振,上电 ...

我确定电路是自激了。我在使用导线代替电感使电路在静态工作点下,两个振荡三极管的集电极有约2V频率大约在78Mhz的振荡,当恒流设为33ma时电路无法起振只有有规律的尖峰脉冲和附近振铃脉冲。把恒流改到50ma时电路能起振,在振荡波形上叠加了自激频率信号。我根据别人的电路图也将振荡管的集电极并了同样的电容到地。振荡频率大约4K左右和仿真结果接近峰值幅度也和仿真接近,但是在这个4K左右的振荡波形上叠加了一个应该是自激的电压。我尝试过在基极耦合电容间串一个小的阻尼电阻随能减小这个自激但振荡幅度也会减小算是无效;尝试在BC结间加个十几皮法小电容AI说是密勒电容可以消除自激无效根本和没有一样。根据你前面个的图我试着找到了网上说的《电子工程师必备电路板技能速成宝典》中的9.4.7节“双管推挽式正弦波振荡器电路故障分析”没有参考意义。这本书在国内我搜索到只有一个地方下载还的要付钱获得解压密码,吾爱破解论坛上别人给的网盘链接失效,自立更生在国外把这本书的PDF格式下载下来了,供有需要的人省去麻烦,书的封面在最后面,有需要的可以核对是否是自己想要的。
电路的波形如下:
短接电感时静态工作点时集电极波形:

静态工作点时的电感公共点波形.JPG

接入电感后的振荡波形:

接入线圈时的振荡波形.JPG

展开振荡波形后的叠加自激信号波形:

振荡波形展开后的叠加自激振荡.JPG

恒流三极管输出集电极也就是电感的公共点波形是直流叠加了高频大电压交流信号,仿真的结果是这个电压很低直流上只叠加了0.1伏的交流频率大约只高出振荡频率的一点点,而不是我现在这样的直流上叠加了这么高的一个高频交流电压。LTspice下我不知道怎么求它的频率。

接入线圈后电感公共节点恒流管集电极波形.JPG



电子工程师必备电路板技能速成宝典第二版封面

捕获.JPG

回复

使用道具 举报

ID:1066092 发表于 2026-3-5 14:44 | 显示全部楼层
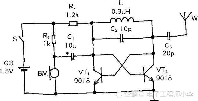
我参考的电路原理是这个公开的电路,略改动了些元件型号。
无标题.png
回复

使用道具 举报

ID:69038 发表于 2026-3-5 22:38 | 显示全部楼层
学习了~~希望有高手来指点一下
回复

使用道具 举报

ID:1066092 发表于 2026-3-7 09:20 | 显示全部楼层
多加旁路电容暂时正常,结了。
回复

使用道具 举报

您需要登录后才可以回帖 登录 | 立即注册

本版积分规则

小黑屋|51黑电子论坛 |51黑电子论坛6群 QQ 管理员QQ:125739409;技术交流QQ群281945664

Powered by 单片机教程网

快速回复 返回顶部 返回列表