找回密码
 立即注册

QQ登录

只需一步,快速开始

搜索
查看: 4|回复: 2
收起左侧

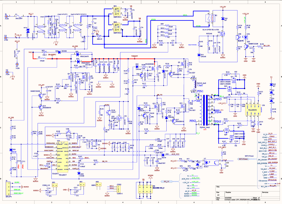
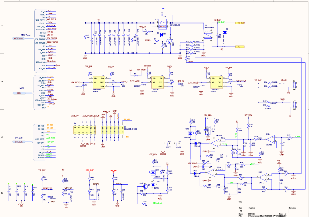
最近做了一款40-56V/42A充电器分享一下验证,输入100-120V,整流桥用2个50A/1000...

[复制链接]
ID:848988 发表于 2026-4-10 17:29 | 显示全部楼层 |阅读模式
最近做了一款40-56V/42A充电器分享一下验证,输入100-120V,整流桥用2个50A/1000...


56V 42A电路图.pdf

1001.07 KB, 下载次数: 0, 下载积分: 黑币 -5

评分

参与人数 1黑币 +50 收起 理由
admin + 50 共享资料的奖励!

查看全部评分

回复

使用道具 举报

ID:848988 发表于 2026-4-10 17:48 | 显示全部楼层
原理图和一些照片。

LLC驱动波形

LLC驱动波形

LLC驱动波形

LLC驱动波形

LLC驱动波形

LLC驱动波形

LLC驱动波形

LLC驱动波形

LLC驱动波形

LLC驱动波形

主变压器

主变压器

谐振电感

谐振电感

PFC电感

PFC电感

EMC电感

EMC电感

主电路

主电路

恒流电路

恒流电路
回复

使用道具 举报

ID:848988 发表于 2026-4-10 17:51 | 显示全部楼层
原理图已上,图片已上传
回复

使用道具 举报

您需要登录后才可以回帖 登录 | 立即注册

本版积分规则

小黑屋|51黑电子论坛 |51黑电子论坛6群 QQ 管理员QQ:125739409;技术交流QQ群281945664

Powered by 单片机教程网

快速回复 返回顶部 返回列表