找回密码
 立即注册

QQ登录

只需一步,快速开始

搜索

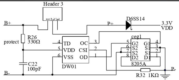
DW01和8205哪个图是正确的?

查看数: 47 | 评论数: 2 | 收藏 0
关灯 | 提示:支持键盘翻页<-左 右->
    组图打开中,请稍候......
发布时间: 2026-2-25 10:42

正文摘要:

这2个图是DW01+8205的电池保护电路。图中一个是OC接G1 OD接G2 ,另一个是OC接G2 OD接G1。哪个接法是正确的,还是都正确?有没有一个芯片把二者集成的型号。

回复

ID:69038 发表于 2026-2-25 17:50
原则上8205的两个NMOS管是有顺序的,因为DW01的OC/OD两个脚,一个是过充断开,一个过流断开,有必要认真看看手册上的接法。。
单个芯片集成3个IC的也有,很久以前也是因为不清楚OC/OD的关系,才选用的


ID:883242 发表于 2026-2-25 16:02
两张图是一样的,因为8205两个管子完全等价。

小黑屋|51黑电子论坛 |51黑电子论坛6群 QQ 管理员QQ:125739409;技术交流QQ群281945664

Powered by 单片机教程网

快速回复 返回顶部 返回列表