找回密码
 立即注册

QQ登录

只需一步,快速开始

搜索
查看: 2142|回复: 9
打印 上一主题 下一主题
收起左侧

单片机写入数据的必要条件?硬件已经连接

[复制链接]
跳转到指定楼层
楼主
按图连接,能使单片机动(写入,读出数据)起来吗?谢谢大家

电路图.jpg (233.76 KB, 下载次数: 49)

电路图.jpg
分享到:  QQ好友和群QQ好友和群 QQ空间QQ空间 腾讯微博腾讯微博 腾讯朋友腾讯朋友
收藏收藏 分享淘帖 顶 踩
回复

使用道具 举报

沙发
ID:277550 发表于 2023-12-6 13:33 | 只看该作者
什么硬件、什么接口、哪种协议、、、、、、
回复

使用道具 举报

板凳
ID:996773 发表于 2023-12-6 13:59 | 只看该作者
无图,无代码,单片机型号都不知道,越是提问帖干到几百上千的楼主不知道整天在干啥

爱玩猜谜语?
回复

使用道具 举报

地板
ID:161164 发表于 2023-12-7 09:34 | 只看该作者
经过多位老中医远程悬丝诊脉,这是五行缺金所致,要知道钱多能使鬼快推磨。
所以,直接请个私教就可以,大可不必贴出电路原码,要是被人抄了可就更缺金了
回复

使用道具 举报

5#
ID:996773 发表于 2023-12-12 16:18 | 只看该作者
看到图了,本人才学单片机三年,已经是汇编大师了,但楼主这个89c2051是啥年代的东东,我都没

见过,读啥数据?这个io口能读取脚状态吗?能读的话至少得写个程序进2051,估计得top之类的编程器

才能支持89c2051
回复

使用道具 举报

6#
ID:195496 发表于 2023-12-13 09:18 | 只看该作者
估计是刚开始半懂非懂时期,还没有明白读取数据,串口通讯,串口协议。
回复

使用道具 举报

7#
ID:155507 发表于 2023-12-13 15:59 | 只看该作者
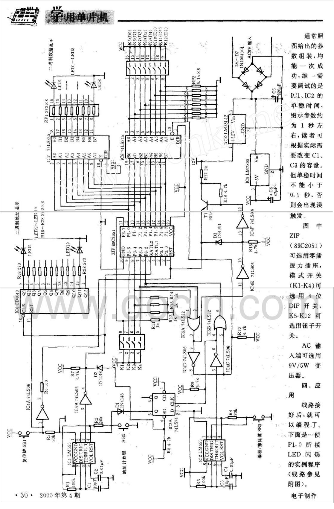
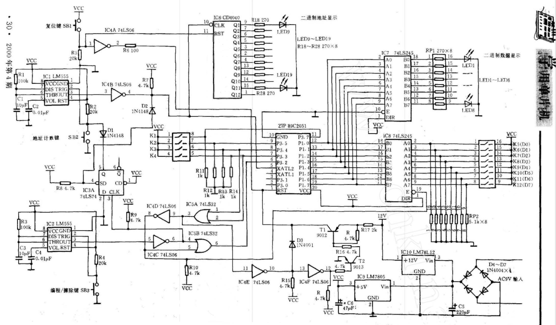
可以玩呀,所有的电路自己搭建,单片机也是用最简单的元器件搭建的
现在书柜里还有当年复印的一篇文章《89C2051的手动编程》包含电路图,是《电子制作》2000年第4期的文章。







原来的电路图有一点设计缺陷,  这个是新的电路图。



用汇编语言编写单片机程序,然后再人工编译成二进制码,最后通过手工编程器烤进单片机。



回复

使用道具 举报

8#
ID:283954 发表于 2023-12-13 16:44 | 只看该作者
忆苦思甜,回忆当年之苦,才知今日之甜,现在的单片机里面什么都有,就1块钱,四根线,按下载马上就行,还可写10万次,速度又很快,还有什么理由偷懒不玩?就只是那个编程软件,还是用%的,用得津津有味,知其然不知其所以然,有朝一日ARM变脸,全军覆没。
回复

使用道具 举报

9#
ID:1064915 发表于 2024-1-2 11:50 | 只看该作者
下载一本书,系统学习
电源+7-9,做电源也费功夫
回复

使用道具 举报

10#
ID:883242 发表于 2024-1-5 16:37 | 只看该作者
杠精问题解决了吗?
回复

使用道具 举报

您需要登录后才可以回帖 登录 | 立即注册

本版积分规则

小黑屋|51黑电子论坛 |51黑电子论坛6群 QQ 管理员QQ:125739409;技术交流QQ群281945664

Powered by 单片机教程网

快速回复 返回顶部 返回列表