找回密码
 立即注册

QQ登录

只需一步,快速开始

搜索
查看: 969|回复: 2
收起左侧

第5章 定时器与数码管基础5.3 5.4

[复制链接]
ID:1167894 发表于 2026-3-26 10:32 | 显示全部楼层 |阅读模式

5.3 数码管的学习
LED小灯是一种简单的LED,只能通过亮和灭来表达简单的信息。这节课学习一种能表达更复杂信息的器件——LED数码管。
5.3.1 数码管的基本介绍
先提供一张数码管原理图,如图5-2所示。
5-2.png
图5-2  数码管原理图
这是比较常见的数码管的原理图,Kingst51开发板子上一共有6个数码管。前边有了LED小灯的学习,数码管学习就会轻松的多了。从图5-3可以看出,数码管共有a、b、c、d、e、f、g、dp这么8个段,而实际上,这8个段每一段都是一个LED小灯,所以一个数码管就是由8个LED小灯组成的。看一下数码管内部结构的示意图,如图5-3。
5-3.png
图5-3  数码管结构示意图
数码管分为共阳和共阴两种,共阴数码管就是8只LED小灯的阴极是连接在一起的,阴极是公共端,由阳极来控制单个小灯的亮灭。同理,共阳数码管就是阳极接在一起。图5-2的数码管上边有2个com,这就是数码管的公共端。为什么有2个呢,一方面是2个可以起到对称的效果,刚好是10个引脚,另外一个方面,公共端通过的电流较大,初中物理知识有讲,并联电路电流之和等于总电流,用2个com可以把公共电流平均到2个引脚上去,降低单条线路承受的电流。
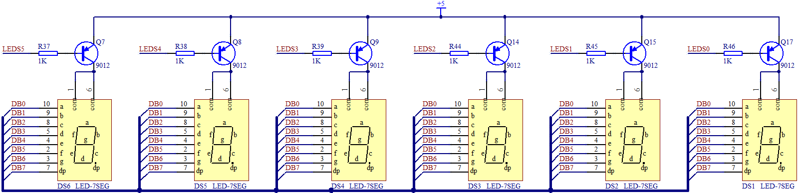
从开发板的电路图上能看出来,所用的数码管都是共阳数码管,一共有6个,如图5-4所示。
5-4.png
图5-4  Kingst51数码管电路
6个数码管的com都是接到了正极上,当然了,和LED小灯电路一样,也是由74HC138控制三极管的导通来控制整个数码管的使能。先来看最右边的DS1这个数码管,原理图上可以看出,控制DS1的三极管是Q17,控制Q17的引脚是LEDS0,对应到74HC138上的就是U3的Y0输出,如图5-5所示。
5-5.png
图5-5  74HC138控制图
点亮DS1这个数码管首先要让LEDS0这个引脚输出低电平,相信读者现在可以根据前边学过的知识独立把ADDR0、ADDR1、ADDR2、ADDR3、ENLED这4个所需输入的值写出来了,真正根据74HC138的手册实际操作一次,不需要记住这些结论,但是只要遇到根据手册资料写一次,慢慢遇到同类芯片就知道如何去解决问题了。
数码管通常是用来显示数字的,板子上有6个数码管,习惯上称之为6位,那控制位选择的就是74HC138了。而数码管内部的8个LED小灯称之为数码管的段,数码管的段选择(即该段的亮灭)是通过P0口控制。
5.3.2 数码管的真值表
数码管的8个段,直接当成8个LED小灯来控制,那就是a、b、c、d、e、f、g、dp一共8个LED小灯。通过图5-2可以看出,如果点亮b和c这两个LED小灯,也就是数码管的b段和c段,其他的所有的段都熄灭的话,就可以让数码管显示出一个数字1,那么这个时候实际上P0的值就是0b11111001,十六进制就是0xF9。那么写一个程序进去,来看一看数码管显示的效果。
#include <reg52.h>

sbit ADDR0 = P1^0;
sbit ADDR1 = P1^1;
sbit ADDR2 = P1^2;
sbit ADDR3 = P1^3;
sbit ENLED = P1^4;

void main()
{
    ENLED = 0;    //使能U3,选择数码管DS1
    ADDR3 = 1;
    ADDR2 = 0;
    ADDR1 = 0;
    ADDR0 = 0;
    P0 = 0xF9;    //点亮数码管段b和c
    while (1);
}
把这个程序编译一下,并下载到单片机中,就可以看到程序运行的结果是在最右侧的数码管上显示了一个数字1。
用同样的方法,可以把其他的数字字符都在数码管上显示出来,而数码管显示的数字字符对应给P0的赋值,叫做数码管的真值表。来列一下Kingst51开发板电路图的数码管真值表,注意,这个真值表里显示的数字都不带小数点的,如表5-7。
表5-7 数码管真值表
字符
0
1
2
3
4
5
6
7
数值
0xC0
0xF9
0xA4
0xB0
0x99
0x92
0x82
0xF8
字符
8
9
A
B
C
D
E
F
数值
0x80
0x90
0x88
0x83
0xC6
0xA1
0x86
0x8E
可以把上边那个用数码管显示数字1程序中的P0的赋值随便修改成表5-7真值表中的数值,看看显示的数字的效果。
5.3.3 数码管的静态显示
在第3章学习了74HC138,了解到74HC138在同一时刻只能让一个输出口为低电平,也就是说在一个时刻内,只能使能一个数码管,并根据给出的P0的值来改变这个数码管的显示字符,可以将此理解为数码管的静态显示。
数码管静态显示是对应动态显示而言,静态显示对于一两个数码管还行,多个数码管,静态显示实现的意义就没有了。这节课先用一个数码管的静态显示来实现简单的秒表,为下节课的动态显示打下基础。
51单片机的C语言编程有一个关键字code。前边课程定义变量的时候,一般用到unsigned char或者unsigned int这两个关键字,这样定义的变量都是放在单片机的RAM中,程序中可以随意去改变这些变量的值。但是还有一种数据,在程序中要使用,但是却不会改变它的值,定义这种数据时可以加一个code关键字修饰一下,这个数据就会存储到单片机的程序空间Flash中,这样可以大大节省单片机的RAM的使用量,毕竟单片机RAM空间比较小,而程序空间则大的多。那么现在要使用的数码管真值表,只会使用它们的值,而不需要改变它们,就可以用code关键字把它放入Flash中了,具体程序代码如下。
#include <reg52.h>
sbit ADDR0 = P1^0;
sbit ADDR1 = P1^1;
sbit ADDR2 = P1^2;
sbit ADDR3 = P1^3;
sbit ENLED = P1^4;
//用数组来存储数码管的真值表,数组将在下一章详细介绍
unsigned char code LedChar[] = {
    0xC0, 0xF9, 0xA4, 0xB0, 0x99, 0x92, 0x82, 0xF8,
    0x80, 0x90, 0x88, 0x83, 0xC6, 0xA1, 0x86, 0x8E
};
void main()
{
    unsigned char cnt = 0;  //记录T0中断次数
    unsigned char sec = 0;  //记录经过的秒数
    ENLED = 0;    //使能U3,选择数码管DS1
    ADDR3 = 1;
    ADDR2 = 0;
    ADDR1 = 0;
    ADDR0 = 0;
    TMOD = 0x01;  //设置T0为模式1
    TH0  = 0xB8;  //T0赋初值0xB800
    TL0  = 0x00;
    TR0  = 1;     //启动T0
   
    while (1)
    {
        if (TF0 == 1)        //判断T0是否溢出
        {
            TF0 = 0;          //T0溢出后,清零中断标志
            TH0 = 0xB8;      //并重新赋初值
            TL0 = 0x00;
            cnt++;             //计数值自加1
            if (cnt >= 50)   //判断T0溢出是否达到50
            {
                cnt = 0;              //达到50次后计数值清零
                P0 = LedChar[sec];  //当前秒数对应的真值表中的值送到P0
                sec++;                //秒数记录自加1
                if (sec >= 16)      //当秒数超过0x0F(15)后,重新从0开始
                {
                    sec = 0;
                }
            }
        }
    }
}
5.4 练习题
1、熟练掌握单片机定时器的原理和应用方法。
2、使用定时器来实现左右移动的流水灯程序。
3、了解数码管的原理,掌握数码管的真值表的计算方法。
4、编程实现数码管静态显示秒表的倒计时。

5-7.jpg
回复

使用道具 举报

ID:412177 发表于 2026-4-10 14:35 | 显示全部楼层
74138的E1E2E3的连接不是很准确,对于对74138不熟悉的人容易引起误会,E1应为1,E2、E3应为0。才能正常工作。
回复

使用道具 举报

ID:1064915 发表于 2026-4-11 08:18 | 显示全部楼层
哪个老师的教程
回复

使用道具 举报

您需要登录后才可以回帖 登录 | 立即注册

本版积分规则

小黑屋|51黑电子论坛 |51黑电子论坛6群 QQ 管理员QQ:125739409;技术交流QQ群281945664

Powered by 单片机教程网

快速回复 返回顶部 返回列表