找回密码
 立即注册

QQ登录

只需一步,快速开始

搜索

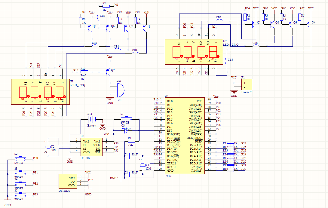
基于51单片机的电子时钟问题,数码管不现实,

查看数: 4013 | 评论数: 5 | 收藏 0
关灯 | 提示:支持键盘翻页<-左 右->
    组图打开中,请稍候......
发布时间: 2016-11-12 09:55

正文摘要:

希望哪位大神看看我的原理图是否错了,数码管通电后不现实。

回复

ID:117855 发表于 2016-11-12 18:23
1302的晶振频率不对
ID:111634 发表于 2016-11-12 13:07
本帖最后由 zl2168 于 2016-11-12 13:08 编辑

实例93  具有校正功能的时钟1302(LED数码管显示)


Proteus仿真一下,确认有效。
实例93 带校正时分秒的时钟1302(6位LED数码管显示).rar (732.75 KB, 下载次数: 11)
以上摘自张志良编著《80C51单片机仿真设计实例教程——基于Keil CProteus》清华大学出版社ISBN 978-7-302-41682-1内有常用的单片机应用100案例,用于仿真实验操作,电路与程序真实可靠可信可行
ID:111634 发表于 2016-11-12 13:04
本帖最后由 zl2168 于 2016-11-12 13:06 编辑

实例56  PNP晶体管选通3位共阳LED数码管动态显示
Proteus仿真一下,确认有效。
实例56 PNP晶体管选通3位LED动态显示.rar (47.41 KB, 下载次数: 4)



以上摘自张志良编著《80C51单片机仿真设计实例教程——基于Keil CProteus》清华大学出版社ISBN 978-7-302-41682-1内有常用的单片机应用100案例,用于仿真实验操作,电路与程序真实可靠可信可行


ID:111634 发表于 2016-11-12 12:56
本帖最后由 zl2168 于 2016-11-12 13:04 编辑

除1302的晶振频率不对(应32768Hz)外,电原理图本身无错.
但晶振频率不对不会影响数码管显示,估计是程序问题。数码管显示电路连接正确,共阳数码管,PNP管低电平驱动。
给你2个案例参考:


实例56  PNP晶体管选通3位共阳LED数码管动态显示
实例93 具有校正功能的时钟1302(LED数码管显示)


小黑屋|51黑电子论坛 |51黑电子论坛6群 QQ 管理员QQ:125739409;技术交流QQ群281945664

Powered by 单片机教程网

快速回复 返回顶部 返回列表