找回密码
 立即注册

QQ登录

只需一步,快速开始

搜索
查看: 3488|回复: 2
收起左侧

关于51单片机中应用m82c54计数器的问题

[复制链接]
ID:145141 发表于 2016-12-19 21:35 | 显示全部楼层 |阅读模式
单片机晶振12MHz,因此下面函数中,没有做延时处理.
m82c54WR的作用是写控制字,写初值.
134154sfnwwawjfr0v0ift.png
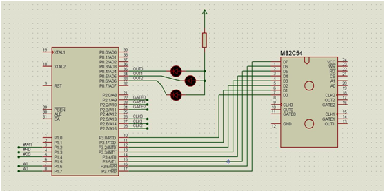
82c54有三路16位计数器,分别为计数器0,1,2
现在遇到的问题是,计数器0 计数器1完全正常计数,而计数器2不正常,个人猜测可能初值没有被写入的几率比较大(不确定).
即使单独测试三路计数器,结果依然一样,依然是计数器2不正常.
以下是Main代码:
  1.      //初始化略过
  2.         //写控制字
  3.         m82c54WR(1,1,0X16);//计数器0方式3
  4.         m82c54WR(1,1,0X56);//计数器1方式3
  5.         m82c54WR(1,1,0X96);//计数器2方式3
  6.         //写初值
  7.          m82c54WR(0,0,0x04);
  8.         m82c54WR(0,1,0x04);
  9.         m82c54WR(1,0,0x04);
复制代码

以下是电路图和时序图:
134245yy69d04yy6mytczd.png.thumb.jpg 140313tqorscd5gzs3qxs5.png.thumb.jpg

回复

使用道具 举报

ID:156364 发表于 2016-12-20 21:33 | 显示全部楼层
帮顶一下
回复

使用道具 举报

ID:145141 发表于 2016-12-25 22:15 | 显示全部楼层
你们是真的很6
回复

使用道具 举报

您需要登录后才可以回帖 登录 | 立即注册

本版积分规则

小黑屋|51黑电子论坛 |51黑电子论坛6群 QQ 管理员QQ:125739409;技术交流QQ群281945664

Powered by 单片机教程网

快速回复 返回顶部 返回列表